Niczuk - kształtka montażowa X7-MF
Cena regularna:
Cena regularna:
towar niedostępny
dodaj do przechowalni
Opis
Niczuk - kształtka montażowa X7-MF
Zastosowanie: do połączeń konstrukcyjnych profili montażowych daje możliwość wielokrotnej regulacji położenia otworu mocowania w profilu montażowym; zapewniają pewne połączenia płaskich i przestrzennych układów zamocowań.
Przeznaczone do profili: MG, MF, MH, MI
Zabezpieczenia antykorozyjne: ocynk galwaniczny
Dokumentacja techniczna:
- Deklaracje: KDWU 05_2020 z dn. 31.12.2020
- Aprobaty: ITB-KOT-2020_1562 wyd. 1
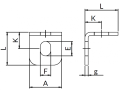
Wymiary [mm]
| AxLxg | 40x41x4 |
| K | 20,5 |
| d | - |
| ExF | 18x13 |
Dane techniczne
| waga | 80g |

Wyświetlane są wszystkie opinie (pozytywne i negatywne). Nie weryfikujemy, czy pochodzą one od klientów, którzy kupili dany produkt.